|
||
|
|
||
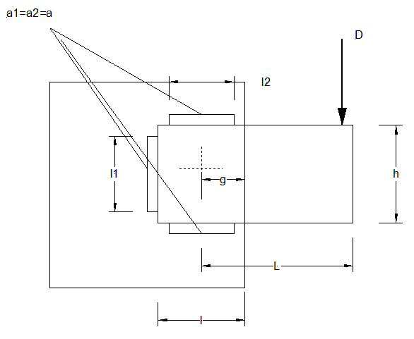
To determine the weld size a in a connection, we use a iterative process with a as parameter until the Von Mises rules is respected (Annexe M/EC3) :
First, we calculate the following parameter (Ref. [14] p529-532) :
As this parameters are known, we can calculate the stress distribution in each weld part :
Weld Check 1:
and 
Weld Check 2:
and 
Between Element and Column : 

with
|
D |
the shear force on the plate |
|
N |
the normal force |
|
M |
the moment: L.D |
|
W |
the flexion module: |