Theoretical background
Calculation procedure - check response (σ-ε)
Imagine a diagram representing the strain in a prestressed and reinforced concrete cross-section. Generally, the cross-section can be non-symmetric to y or z axis and loaded with a combination of N, My and Mz. Then the vector of strain consists of three non-zero values ε = {εx; εy, εz}. This vector determines so called plane of deformation (see following figure). More information can be found in VONDRÁČEK, R.: Numerical Methods in Nonlinear Concrete Design, Diploma thesis, 2000.
Corresponding plane of strain for plane of equilibrium in one plane bending only (My) is shown in following figure. Nevertheless, the distribution of the stress in compression part depends on type of stress-strain diagram of concrete. When bilinear diagram is used then distribution is constant or linear constant. In case of parabola-rectangular diagram the stress distribution is constant or linear-parabola.
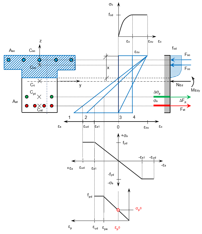
The previous figure shows a non specific case, but let us imagine an ultimate state. Under the ultimate state, we understand a case, where either concrete or steel is strained to limit value. We can draw some cases in a similar diagram. The basic assumptions of this limit strain method show the following figure. Generally, four limit strain states can occur. The numbering (1-4) in the following figure represents particular state types of the cross-section. The state (1) corresponds to the optimal failure when ultimate compressive strain in concrete (εcu) and ultimate tensile strain in reinforcement (εud) are reached. In case of state (2), the ultimate limit strain in concrete is assumed within considering the strain in prestressing at the beginning of plastic branch (εs). The state (3) expresses the starting of the concrete crushing. Finally, the state (4) represents the reaching of ultimate compressive strain for axially loaded member decreased due to brittle failure effect.
The following checks are performed
- Check of compressive concrete
verification of strains: εcc / εcc,lim
verification of stresses: σcc / σcc,lim
- Check of compressive reinforcement
verification of strains: εsc / εsc,lim
verification of stresses: σsc / σsc,lim
- Check of tensile reinforcement
verification of strains: εst / εst,lim
verification of stresses: σst / σst,lim
- Check of tensile prestressing reinforcement
verification of strains: εtt / εtt,lim
verification of stresses: σtt / σtt,lim
Unity check is maximum from all partial unity checks. It means
UCs-e = max(εcc / εcc,lim; σcc / σcc,lim; εsc / εsc,lim; σsc / σsc,lim; εst / εst,lim; σst / σst,lim;εtt / εtt,lim; σtt / σtt,lim)
where
| εcc |
the most compressive strain in concrete |
| εcc,lim | the limit of compressive strain in concrete |
| σcc | the most compressive stress in concrete |
| σsc,lim | the limit of compressive stress in concrete |
| εsc | the most compressive strain in reinforcement |
| εsc,lim | the limit of compressive strain in reinforcement |
| σsc | the most compressive stress in reinforcement |
| σsc,lim | the limit of compressive stress in reinforcement |
| εst | the most tensile strain in reinforcement |
| εst,lim | the limit of tensile strain in reinforcement |
| σst | the most tensile stress in reinforcement |
| σst,lim | the limit of tensile stress in reinforcement |
| εtt | the most tensile strain in prestressing reinforcement |
| εtt,lim | the limit of tensile strain in prestressing reinforcement |
| σtt | the most tensile stress in prestressing reinforcement |
| σtt,lim | the limit of tensile stress in prestressing reinforcement |
Assumption and limitations
There are the following assumptions fro both checks:
- Strain and stress of diagram defined in properties of material will be used
- Concrete – bilinear or parabola-rectangular stress-strain diagram
- Reinforcement – bilinear with or without inclined horizontal branch stress-strain diagram
- Prestressing reinforcement – bilinear with or without inclined horizontal branch stress-strain diagram
- Tensile stress in concrete is not considered
- Standard REDES, free bars or PRAD reinforcement is considered