Connection components
Column web panel in shear
Component is calculated according to EN 1993-1-8 Art 6.2.6.1.
Remarks:
(1) Not implemented.
(2) The calculation within Scia Engineer is valid also for a double-sided joint in which the beam depths are not similar or for stiffened column web panel.
(4) To take the additional resistance into account, the "Use stiffeners in column web panel resistance" has to be activated in the connection setup and both top and bottom stiffeners are present in the connection.
For calculation of plastic moment resistance of a column flange a separate calculation for each flange is used:
For calculation of plastic moment resistance of a stiffener a width of the column is considered.
It is assumed that both stiffeners are the same and fulfil the minimum criteria based on the connected beam. Values of tf,stif and fy,stiff are taken equal to the beam tf and fy.
Resistance Vwp,Rd is calculated as:
which has to be smaller than:
(5) When a diagonal rectangular stiffener is activated in a connection, the component is assumed not to fail and the resistance of the component is taken as infinity.
(6) The increase of the Avc area due to the presence of web doubler is implemented according to the article as bs*tw also for case 2 web plates.
(8)-(13) Checks not implemented.
Column web in transverse compression
Component is calculated according to EN 1993-1-8 Art 6.2.6.2.
Remarks:
(1)The beff,c,wc for bolted connections is calculated according to the formula (6.11), where:
with:
| sp_top | spread increase due to the dispersion through the end plate at top of the compression flange |
| sp_bot | spread increase due to the dispersion through the end plate at bottom of the compression flange |
For bolted end-plate connections, normally both sp_top and sp_bot distances are equal to ep due to the dispersion at 45°, but if:
- in a perpendicular connection, the end-plate bottom extension below the flange does not provide enough space for the spread through the end-plate, i.e.: the extension is smaller than (√2)*a + ep), the sp_bot is calculated as:
Effective width beff,c,wc for a bolted perpendicular connection:
with:
| ep | thickness of end-plate |
| a | size of the flange weld |
| tfb | thickness of a beam flange |
| tfc | thickness of a column flange |
| Platebot_ext | bottom extension of the end-plate |
The same logic will be used in case plate haunch is defined , since the center of the compression is located within bottom beam flange (See also chapter: "Center of compression").
- in a haunch with flange connection, end-plate bottom extension below the flange does not provide enough space for the spread from the end of the ac weld (See also chapter: "Haunch with flange") through the end-plate, i.e.: the extension is smaller than ( ep - ( tfl / sin(α) - ac ) ) in case ac < tfl / sin(α), or than ( ep + ( ac - tfl / sin(α) ) ) in case ac >= tfl / sin(α, the sp_bot is calculated as:
Effective width beff,c,wc for a bolted haunch connection:
with:
| ep | thickness of end-plate |
| tfb | thickness of beam flange |
| tfc | thickness of a column flange |
| ac | size of the weld between haunch and end-plate / column |
| α | angle between column and the flange (haunch input degree) |
| Platebot_ext | bottom extension of the end-plate |
(2)To take the effect of axial force and bending moment in the column on the design resistance of the column web in compression into account, user has to activate "Include stress reduction in web" check box in the connection setup. The reduction coefficient kwc is calculated taking into account the design internal forces for the determination of the compressive stress σcom,E. The forces are taken from the same section, where the centre of compression is located.
(5)When a stiffener at the location of the canter of compression is activated on a column side of a connection, the component is assumed not to fail and the resistance of the component is taken as infinity.
(6)Column web thickness twc is taken alone, or as 1,5*twc or 2*twc, based on the presence of one or two web doublers. Shear area Avc for determination of ω values is taken from "Column web in shear component" (See also chapter: "Column web panel in shear").
Column web in transverse tension
Component is calculated according to EN 1993-1-8 Art 6.2.6.3.
Remarks:
(3)The effective width beff,t,wc used in the formula (6.15) for the calculation of the design tension resistance of column web Ft,wc,Rd for a bolted connection, are taken equal to the effective length of the "Column flange in transverse bending" component, with respect to the failure mode (See also chapter: "Column flange in transverse bending").
(6)If a transverse web stiffener is found in the tension zone of a column, the component is assumed not to fail and the resistance of the component is taken as infinity.
(8)For the calculation of tw,eff in case of a presence of web doubler it is assumed, that longitudinal welds are fillet welds with a throat thickness satisfying the given condition, therefore the coefficient of 1,4 respectively 1,3, based on the used material, is used.
Column flange in transverse bending
Component is calculated according to EN 1993-1-8 Art 6.2.6.4.
There is a distinction in the EN 1993-1-8 between un-stiffened (6.2.6.4.1) and stiffened (6.2.6.4.2) column flange, but since the content of article 6.2.6.4.1 can be also found in article 6.2.6.4.2, the remarks below are related to that article.
Remarks:
(1)+(3)See chapter: "Group of bolt-rows".
(2)The alternative method given in Art 6.2.4.1 by Table 6.2 may be used by activating "Use alternative method for Ft,1,Rd" check box in the connection setup. (See also chapter: "Bolt elongation length")
(5)The effective lengths leff of an equivalent T-stub flange is using the values for each bolt-row given in Table 6.5 with one exception. This exception concerns calculation of non-circular pattern for bolt-rows classified as " End bolt-row adjacent to a stiffener ". In addition to the formula "e1+α*m-(2*m + 0,625*e)" an additional criterion of "α*m" is used. The minimum of these values is then used as leff,nc. (See also chapters: "Classification of Bolt-rows", "Alpha coefficient")
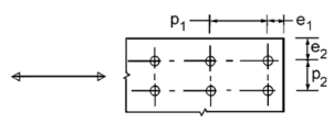
Note: Vertical distance e1
The EN 1993-1-8, Art 3.5 Figure 3.1 specifies e1 as the end distance from the center of a bore hole to the adjacent end of column flange, measured in the direction of load transfer.
Within SCIA Engineer this e1 distance is measured from the center of an edge bolt to the appropriate end of a column, where the connection is defined. All internal nodes with possible beams and connections are neglected.
(6)Not implemented.
End-plate in bending
Component is calculated according to EN 1993-1-8 Art 6.2.6.5.
Remarks:
(1)The alternative method given in Art 6.2.4.1 by Table 6.2 may be used by activating "Use alternative method for Ft,1,Rd" check box in the connection setup. (See also chapter: "Bolt elongation length")
(2)See chapter: "Group of bolt-rows".
(4)Table 6.6 does not provide any formulas for such bolt-rows classified as "Bolt-row outside of beam" for calculation of effective lengths leff for bolt-row considered as part of a group of bolt-rows. Within Scia Engineer this means, that for a connection design, on tension side of an end-plate it is not allowed to have more than one bolt-row classified as "Outside of a beam". If more bolt-rows, classified as Outside of Beam, are found on the tension side of the conencted beam, the Error message is displayed and connection design proceedure is terminated. (See also chapters: "Classification of Bolt-rows", "Alpha coefficient")
If an end-plate extension is found beyond the height of the existing plate haunch and a bolt-row is defined within, or even outside, this haunch, software recognizes this geometry as not consistent with the yield line patterns and warning is being printed in the output. In this case a possible "jump" of yield line patterns may occur, which is not covered by EN. A plate haunch gap near beam flange is assumed not to influence the yield line patterns.
Beam flange and web in compression
Component is calculated according to EN 1993-1-8 Art 6.2.6.7.
Remarks:
(1)The component resistance Fc,fb,Rd is calculated with equation (6.21), using the design moment resistance of the beam cross-section Mc,Rd.
- The possible inclination of the connected beam is taken into account.
- Rounding of the main cross-section is neglected in case any haunch is present or connected beam is inclined.
- Haunches without flanges are neglected.
The influence of the inclined section and inclined haunch flange is also neglected in calculation of the leverage arm hb-tfb.
- Different thickness of beam and haunch flanges are however taken into account.
When calculation the section with one REAL haunch with flange, the leverage arm hb-tfb.is given as:
with:
| (hb-tfb) | leverage arm |
| hb | height of the beam without haunch |
| tfb | thickness of the beam flange |
| hfull | height of the haunch at the full end |
| lfull | length of the haunch from the start to the full end |
| tfh | thickness of the haunch flange |
| lface | length of the haunch from the start to the connection face |
The rule, described by the last sentence of this part, so-called 20% rule, is fully implemented. The limiting height of 600mm is being compared with total height of the section, excluding possible haunches without flange. The calculated limit is calculated by the formula below:
with:
| bh | width of the beam flange |
| th | thickness of the beam flange |
| fyb | yield strength of the beam material |
Final component resistance is taken as a minimum of the initial value and the limiting value.
(2)A haunch with flange has to fulfil the criteria mentioned below, given by the article:
– the flange width and thickness, and the web thickness of the haunch should not be less than that of the member;
– the angle of the haunch flange to the flange of the member should not be greater than 45°
If the criteria are not fulfilled a warning is being displayed.
(3)As indicated by this article, if a beam is reinforced with haunches, the design resistance of beam web in compression should be determined according to 6.2.6.2. In Scia Engineer the distinction is made between haunch with or without flange.
In case of haunch without flange is present at compressed side of a beam, the centre of the compression is considered at the compressed flange of the beam and it is assumed that the compression force will go directly to the beam flange. Therefore there is no need to verify the resistance of any other component and only component "Beam flange and web in compression" is calculated.
In case haunch with flange is present at compressed side of a beam, the initial component "Beam flange and web in compression" is replaced by two components: "Haunch flange in compression" and "Beam web in compression". These two components are later used separately in the "Shear and compression assessment" table for determination of the limiting compression component and also in the determination of compression normal force resistance Nj,Rd.
(See also chapters: "Haunch flange in compression" , "Beam web in compression")
Haunch flange in compression
Component is calculated according to Eurocode 3: Bemessung und Konstruktion von Stahlbauten, Band 2: Anschlüsse – DIN EN 1993-1-8 mit Nationalem Anhang – Kommentar und Beispiele von Prof. Dr.-Ing. Dieter Ungermann , Prof. Dr.-Ing. Thomas Ummenhofer , Prof. Dr.-Ing. Ramgopal Puthli , Dr.-Ing. Klaus Weynand, published in 2015-09. The component resistance is calculated by the formula below:
with:
| bfh | width of a haunch flange limited by the bmax |
| tfh | thickness of a haunch flange |
| fyb | yield strength of the beam |
| β | angle between the haunch flange and direction perpendicular to the end-plate |
| γM0 | partial safety factor for steel |
The component is calculated always together with component "Beam web in compression", as a replacement of "Beam flange and web in compression" component in case a compressed haunch with flange is present at compressed side of connected beam. (See also chapter: "Beam flange and web in compression" )
Beam web in compression
Component is calculated according to EN 1993-1-8 Art 6.2.6.2 with respect to Eurocode 3: Bemessung und Konstruktion von Stahlbauten, Band 2: Anschlüsse – DIN EN 1993-1-8 mit Nationalem Anhang – Kommentar und Beispiele von Prof. Dr.-Ing. Dieter Ungermann , Prof. Dr.-Ing. Thomas Ummenhofer , Prof. Dr.-Ing. Ramgopal Puthli , Dr.-Ing. Klaus Weynand, published in 2015-09.
In general, the "Beam web in compression" component resistance Fc,wb,Rd is calculated with similar formulas as component "Column web in compression" (See also chapter:"Column web in transverse compression" ). The values from connected beam instead of column are however used and also a few modifications are needed.
Beam web in compression component resistance Fc,wb,Rd is calculated as:
For spread in the beam web an adjusted formula for beff,c,wb is given by the reference:
with:
| tfh | thickness of a haunch flange |
| tfb | thickness of a beamh flange |
| s | as given by EN 1993-1-8 Article 6.2.6.2 (1) |
| α | is the haunch definition angle (angle between beam flange and haunch flange)e |
Transformation parameter Beta for ω determination should be taken as for one sided connection, i.e.: β = 1.
Internal forces for determination of σcom, is taken similarly as in case of a component "Column web in compression" verification, at the position of the section which should be verified (where the haunch ends, i.e. where the force is acting). The usage of the reduction and thus calculation of the reduction coefficient kwb is dependent on the activation of the check-box "Include stress reduction in web" in the connection setup.
When the resistance Fc,wb,Rd of the component is calculated a transformation into the direction which is perpendicular to the column is required.
The following equation is therefore used:
If a stiffener at haunch end is present at the end of compressed haunch, the component is assumed not to fail and the resistance of the component is taken as infinity.
The component is calculated always together with component "Haunch flange in compression", as a replacement of "Beam flange and web in compression" component in case a compressed haunch with flange is present at compressed side of connected beam. (See also chapter: "Beam flange and web in compression" )
Beam web in tension
Component is calculated according to EN 1993-1-8 Art 6.2.6.8.
Remarks:
(2)The effective width beff,t,wb used in the formula (6.22) for the calculation of the design tension resistance of beam web Ft,wb,Rd for a bolted connection, are taken equal to the effective length of the " End-plate in bending" component, with respect to the failure mode (See also chapter: "End-plate in bending").