Checking of limit strain - single check

If required, a selected member can be checked in detail. To do so, press button [Single check] in the Action bar of function Check response.

Single cross-section dialogue provides for detailed view of design results.

image\SingleCheckResponse.gif

Parts of the dialogue

See Checking to interaction diagram - single check.

Calculation

See Checking to interaction diagram - single check.

Set of graphical windows

(see also the pictures below)

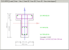
Cross-section

Shows the cross-section, its dimensions and defined reinforcement.

Loads

Shows internal forces in the selected section.

Strain

Shows the strain and its distribution across the section.

Stress

Shows the stress and its distribution across the section.

Strain 3D

Shows the strain and its distribution across the section in a 3D view.

Stress 3D

Shows the stress and its distribution across the section in a 3D view.

Forces 3D

Shows internal forces in the selected section in a 3D view.

Stress-strain diagram

Shows the stress-strain diagram for the selected section. The user may click a point in the section (in the left hand side part of the graphical window) and see the corresponding position on the diagram (in the right hand side part of the graphical window).

Cross-section

image\SingleCheckResponseCSS.gif

Loads

image\SingleCheckResponseLoad.gif

Strain

image\SingleCheckResponseStrain.gif

Stress

image\SingleCheckResponseStress.gif

Strain 3D

image\SingleCheckResponseStrain3D.gif

Stress 3D

image\SingleCheckResponseStress3D.gif

Forces 3D

image\SingleCheckResponseForce3D.gif

Stress-strain diagram

image\SingleCheckResponseDiagram.gif